3.4.2
Oxidkeramik
3.4.2.1
Aluminiumoxid
Das Aluminiumoxid (Al2O3)
ist der technisch wichtigste oxidkeramische Werkstoff mit
der breitesten Anwendung. Dicht gesintertes Aluminiumoxid
zeichnet sich durch
-
hohe Festigkeit und Härte,
-
Temperaturstabilität,
-
hohe Verschleißbeständigkeit und Korrosionsbeständigkeit
auch bei hohen Temperaturen aus.
Im Einsatz haben sich diese synthetisch hergestellten
Werkstoffe mit Aluminiumoxidgehalten von mehr als 80 %
bis mehr als 99 % bewährt. Die Auswahl des Werkstoffs
wird von technischen und wirtschaftlichen Kriterien bestimmt.
Ein Werkstoff mit höherem Aluminiumoxidgehalt muss aber
nicht zwangsläufig die gestellten anwendungstechnischen
Forderungen am besten erfüllen.
Ebenso können sich die mechanischen Eigenschaften von
Aluminiumoxiden unterschiedlicher Hersteller bei gleichem
Aluminiumoxidgehalt wegen differierender Pulverrezepturen
unterscheiden.

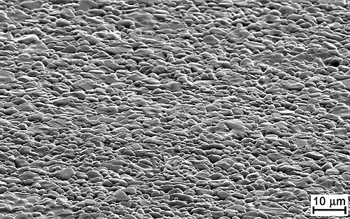
Bild 6: Oberfläche von Aluminiumoxid,
"as fired"
Bild 7: Gefüge von Aluminiumoxidkeramik
(99,7 %)
Aluminiumoxidwerkstoffe erfüllen alle
Bedingungen für Isolierstoffe bei Anwendungen in der
Elektrotechnik. Hervorragende Eigenschaftswerte für Biegefestigkeit,
Verschleiß- und Hochtemperaturbeständigkeit empfehlen
sich für mechanische Anwendungen.
Aluminiumoxidkeramiken können sich im
Gefüge (siehe Bild 8 und 9) und damit in ihren Eigenschaften
wesentlich unterscheiden.
Bild 8: Gefüge von mikrokristallinem
Aluminiumoxid |
Bild 9: Gefüge von grobkristallinem Aluminiumoxid |
Oberflächen mit möglichst hohem
Materialanteil sind nicht immer notwendig oder wünschenswert.
Bei Fadenführern für die Textilindustrie beispielsweise
sollte die Auflagefläche des Fadens klein sein und keine
scharfen Kanten aufweisen, während Dichtscheiben einen
Materialanteil von ca. 80 % benötigen.

Bild 10: "as fired"-Oberfläche
eines gezogenen Bauteils aus Aluminiumoxid
Die Aluminiumoxidkeramik findet wegen ihres guten Preis-Leistungs-Verhältnisses
und ihrer universellen Eigenschaften unter anderem Anwendung
-
in der Sanitärindustrie als Dichtelement,
-
in der Elektrotechnik als Isolierteil,
-
in der Elektronik als Substrat,
-
im Maschinen- und Anlagenbau als Verschleißschutz
(verschleißfestes Material),
-
in der chemischen Industrie als Korrosionsschutz (korrosionsfestes
Material, das bis zu hohen Temperaturen gegenüber
Dämpfen, Schmelzen und Schlacken weitestgehend beständig
ist) und als Filter,
-
in der Messtechnik als Schutzrohr für Thermoelemente
bei Hochtemperaturmessungen,
-
in der Humanmedizin als Implantat und
- in der Hochtemperaturanwendung als Brennerdüse
oder als Tragrohr für Heizleiter.
|